當前的位置>>首頁>>>> 8立方液氨儲罐技術參數
8立方液氨儲罐技術參數
新聞導讀:
本文章發表于: 作者: 發布時間: 2022-08-30
液氨是一種中度危害介質,在很多化工廠內經常用到,因而它的貯存安全尤為重要,必須采用壓力容器儲罐方可。根據實際需要,有多種規格的液氨儲罐,如5立方,8立方,20立方,50立方,100立方等。有的小型工廠內,8立方液氨儲罐使用較多,今天為大家介紹其參數。
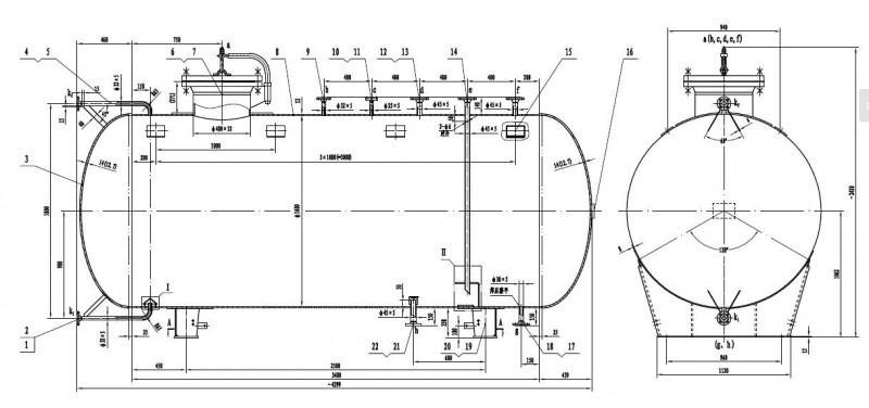
8立方液氨儲罐一般按直徑1600mm設計,設計壓力按標準規定取2.16MPa,材料為Q345R,筒體厚度12毫米,封頭厚度14毫米,總長4.3毫米。可以裝載4噸液氨介質,罐體上管口均開設在罐體上方,如液相進出口、氣相、排空口等。


很多客戶會關心液氨儲罐的使用維護問題,因其是特種設備,在使用第四年一般要進行首檢,根據實際情況出具產品質量報告,設計使用壽命為20年。用戶在平時使用時應注意經常巡檢,若有問題及時發現處理。其次,選擇質量可靠的廠家也尤為關鍵。
上一篇 : 37立方氯甲烷半掛車公告下發
下一篇 : 50立方液氨儲罐液位對照表
下一篇 : 50立方液氨儲罐液位對照表



